DLM10(EKE系列)電磁離合器是一種用于機械傳動系統中,借助電磁力操作,使旋轉運動的驅動側部分與從動側部分相結合或分離,從而實現動力和運動傳遞的執行元件.
離合器的標準工作電壓為直流24伏.在一般情況下,只需采用開關、按鈕、接觸器、行程開關等普通電器元件組成的簡單電路,就能方便的對其實現自動、遠程控制,從而滿足機械傳動系統的變速、換向、起動及定位等各種要求。
該系列離合器屬于磁通不經過摩擦片組的結構形式,短電后的殘余力矩小,動作時間快。特別適用于對動作時間有要求的場合使用。在使用過程中摩擦片磨損到一定程度,出現力矩下降時,需將工作氣隙進行調整。
離合器在下列條件下能可靠的工作:
1.周圍空氣溫度為-5℃--+40℃。
2.在無爆炸危險的介質中,且介質中無足以腐蝕金屬和破壞絕緣的氣體及導電塵埃。
3.離合器需在有潤滑油的條件下工作。
4.離合器線圈的電壓波動不超過+5%和-15%的額定電壓。
5.離合器安裝地點的海拔不超過2000米。
主要性能參數
規格 |
額定動力矩 |
額定靜力矩 |
空效力矩 |
接通時間 |
斷開時間 |
額定電壓 |
線圈消耗功率 (20℃) |
允許最高轉速 |
重量 |
1A/1A·G | 12.5 | 20/14 | 0.088/0.05 | 0.14/0.11 | 0.03/0.025 | 24 | 26 | 3000 | 2 |
2A/2A·G | 25 | 40/27.5 | 0.175/0.10 | 0.18/0.16 | 0.032/0.028 | 24 | 27 | 3000 | 2.6 |
4A/4A·G | 40 | 63/44 | 0.280/0.16 | 0.20/0.18 | 0.04/0.03 | 24 | 33 | 3000 | 3.2 |
6A/6A·G | 63 | 100/70 | 0.350/0.26 | 0.25/0.20 | 0.045/0.04 | 24 | 43 | 3000 | 4 |
10A/10A·G | 100 | 160/110 | 0.500/0.35 | 0.28/0.25 | 0.06/0.045 | 24 | 43 | 3000 | 5.5 |
16A/16A·G | 160 | 250/175 | 1.00/0.56 | 0.30/0.28 | 0.08/0.06 | 24 | 47 | 2500 | 7.8 |
25A/25A·G | 250 | 400/280 | 1.50/0.88 | 0.35 /0.30 | 0.11/0.08 | 24 | 55 | 2200 | 11 |
40A/40A·G | 400 | 630/440 | 2.50/1.40 | 0.40/0.35 | 0.12/0.11 | 24 | 62 | 2000 | 15 |
63A/63A·G | 630 | lO00/700 | 4.00/2.20 | 0.50/0.40 | 0.15/0.12 | 24 | 70 | 1750 | 21 |
100A/100A·G | 1000 | 1600/1100 | 6.00/3.00 | 0.60/0.50 | 0.18/0.15 | 24 | 79 | 1600 | 32 |
160A/l60A·G | 1600 | 2500/1750 | 10/5.5 | 0.90/0.70 | 0.22/0.18 | 24 | 93 | 1350 | 50 |
250A/250A·G | 2500 | 4000/2750 | 15/8.6 | 1.15/0.90 | 0.28/0.25 | 24 | 110 | 1200 | 77 |
400A/400A·G | 4000 | 6300/4400 | 24/14 | 1.30/1.20 | 0.35/0.30 | 24 | 123 | 1000 | 122 |
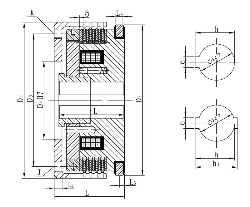
安裝示意圖

外形與安裝尺寸
| 規格 size | 徑向尺寸 Radil Demensions | 軸向尺寸 Axial Demensions | 電刷 型號 Brush Model | ||||||||||||
D1 | D2 | D3 | D4 | ф | e | h | J | K | L | L1 L2 | L3 | L4 | |||
| 1A/1A·G | 100 | 100 | 85 | 50 | 18 | 50+0.025 | 19.90+0.14 | 2-φ6 | 4-M6 | 45 | 42 5 | 5.5 | 8 | 0.30 | 濕式 采用 DS-005 干式 采用 DS-006 |
| 2A/2A·G | 110 | 110 | 90 | 55 | 20 | 60+0.025 | 22.30+0.14 | 2-φ6 | 4-M6 | 48 | 45 5 | 5.5 | 8 | 0.30 | |
| 4A/4A·G | 120 | 120 | 100 | 60 | 25 | 80+0.03 | 27.60+0.14 | 3-φ6 | 6-M6 | 52 | 48 6 | 5.5 | 8 | 0.30 | |
| 6A/6A·G | 132 | 132 | 105 | 65 | 30 | 80+0.03 | 32.60+0.17 | 3-φ6 | 6-M8 | 55 | 50 7 | 5.5 | 8 | 0.30 | |
| 10A/10A·G |
147 |
145 |
120 | 75 |
40 | 120+0.035 | 42.90+0.17 | 3-φ8 | 6-M8 | 58 | 53 7 | 5.5 |
8 | 0.35 | |
| 16A/16A·G |
162 |
160 |
135 | 85 |
45 | 140+0.035 | 48.30+0.17 | 3-φ8 |
6-M8 |
62 | 57 7 | 5.5 | 8 | 0.40 | |
| 25A/25A·G |
182 |
180 |
155 |
95 |
50 | 160+0.035 | 53.60+0.2 |
3-φ10 | 6-M10 | 68 | 63 8 | 6 | 8 | 0.45 | |
| 40A/40A·G |
202 |
200 |
170 | 120 |
60 | 180+0.035 | 640+0.2 |
3-φ10 | 6-M10 | 76 | 70 9 | 6.25 | 8 | 0.50 | |
| 63A/63A·G |
235 |
230 |
200 | 125 |
70 | 200+0.045 | 74.30+0.2 | 3-φ14 | 6-M12 |
86 |
80 10 | 6.25 | 8 | 0.6 | |
| 100A/100A·G | 270 | 255 | 235 | 150 | 70 | 200+0.045 | 74.30+0.2 | 3-φ14 | 6-M17 | 100 | 92 12 | 8.5 | 10 | 0.70 | |
| 160A/l60A·G | 310 | 295 | 260 | 180H8 | 75 | 20±0.026 | 81.10+0.2 | 3-φ16 | 6-M16 | 115 | 107 14 | 8 | 10 | 0.80 | |
| 250A/250A·G | 360 | 340 | 305 | 200H8 | 100 | 28±0.026 | 106.40+0.2 | 4-φ16 | 8-M16 | 132 | 122 15 | 8.5 | 10 | 0.90 | |
| 400A/400A·G | 420 | 395 | 350 | 235H8 | 120 | 320+0.05 | 126.70+0.20 | 4-φ20 | 8-M16 | 150 |
138 17 | 8.5 | 10 | 1 | |



