DLMO系列離合器為濕式多片有滑環電磁離合器,需要在有潤滑的條件下工作,摩擦片磨損小,使用壽命長。徑向尺寸小、力矩大、可廣泛應用于機床、軋鋼、冶金采礦、金屬壓延、搬運、船舶漁業等設備的機械傳動系統中,起到離合,換向、變速等作用。
離合器在下列條件下能可靠的工作:
1.周圍空氣溫度為-5℃--+40℃。
2.在無爆炸危險的介質中,且介質中無足以腐蝕金屬和破壞絕緣的氣體及導電塵埃。
3.離合器需在有潤滑油的條件下工作。
4.離合器線圈的電壓波動不超過+5%和-15%的額定電壓。
5.離合器安裝地點的海拔不超過2000米。
主要性能參數:
|
規格 |
額定動力矩 |
額定靜力矩 |
空效力矩 |
接通時間 |
斷開時間 |
額定電壓 |
線圈消耗功率 ( 20 ℃ ) |
允許最高轉速 |
重量 |
供油流量 |
|
2.5 |
12 |
25 |
0.4 |
0.28 |
0.10 |
24 |
13 |
3500 |
1.78 |
0.25 |
|
6.3 |
50 |
100 |
1.0 |
0.32 |
0.10 |
24 |
19 |
3000 |
2.8 |
0.40 |
|
16 |
100 |
200 |
2.0 |
0.35 |
0.15 |
24 |
23 |
3000 |
4.66 |
0.65 |
|
40 |
250 |
500 |
5.0 |
0.40 |
0.20 |
24 |
51 |
2000 |
9.0 |
1.00 |
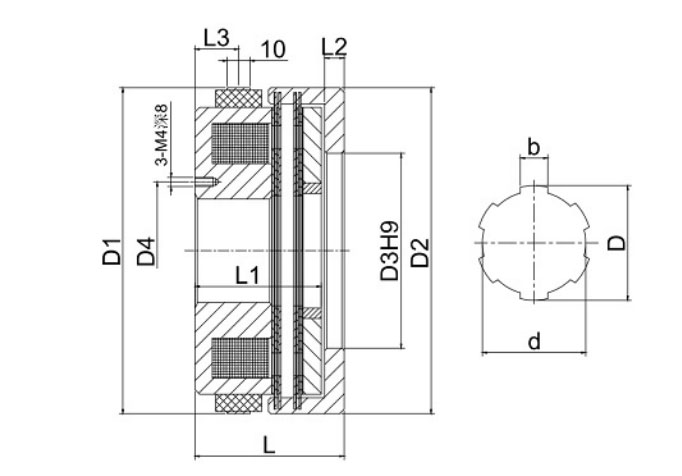
安裝示意圖


外形與安裝尺寸:




